Код товара: 02046-03522 | ||
33 459 руб./шт | ||
| ||
Уточняйте наличие Код товара: 02046-03522 ![]() |
A1 (029) 615-88-00
МТС (033) 615-88-00
- Описание
- Отзывы о товаре
- Дополнительно
Преимущества Двигателя бензинового LIFAN KP230E-R (8 л.с.):
1. Коленчатый вал из кованой легированной стали гарантирует стабильную выходную мощность, абсолютно новая запатентованная технология.
2. Система принудительной смазки KP230E-R обеспечивает стабильную работу двигателя.
3. Поршневое кольцо из нержавеющей стали - превосходная прочность и износостойкость для увеличения срока службы двигателя.
4. Усовершенствованная конструкция балансировочного вала - длительная и стабильная работа двигателя.
5. Алюминиевое покрытие воздуховода - отсутствие потери мощности и эффективное охлаждение.
6. Новая мягкая, удобная и прочная прорезиненная ручка стартера.
7. Износостойкий трос стартера увеличивает срок службы детали более, чем на 10'000 рабочих циклов.
8. Вентилятор маховика с более высокой скоростью потока.
9. Увеличенный двухслойный элемент воздушного фильтра.
10. Уникальная двойная выхлопная труба в увеличенном корпусе глушителя.
11. Топливный бак ёмкостью 3,6 л.
12. V-образное расположение клапанов - стабильность и мощность.
13. Детали двигателя изготовлены из тонкой стали методом литья под давлением.
14. Стандартный размер установочной площадки для универсального применения.
15. Шатун с втулкой вкладыша - высокая прочность.
16. Большой охлаждающий плавник в основании картера.Вместе с двигателем поставляется цепной понижающий редуктор с автоматическим сцеплением 2:1 для понижения оборотов двигателя и увеличения крутящего момента.
Характеристики
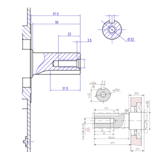
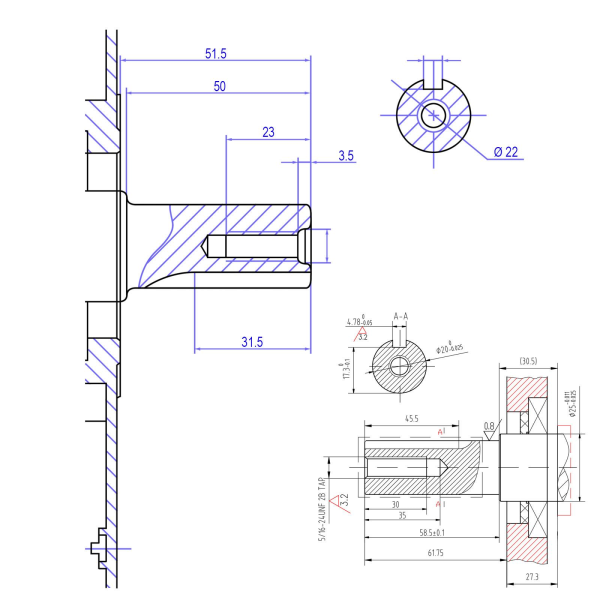
Вес, кг 23
Расход топлива, г/кВт.ч 374
Система зажигания бесконтактное транзисторное (TCI)
Расположение вала горизонтальное
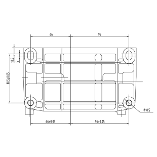
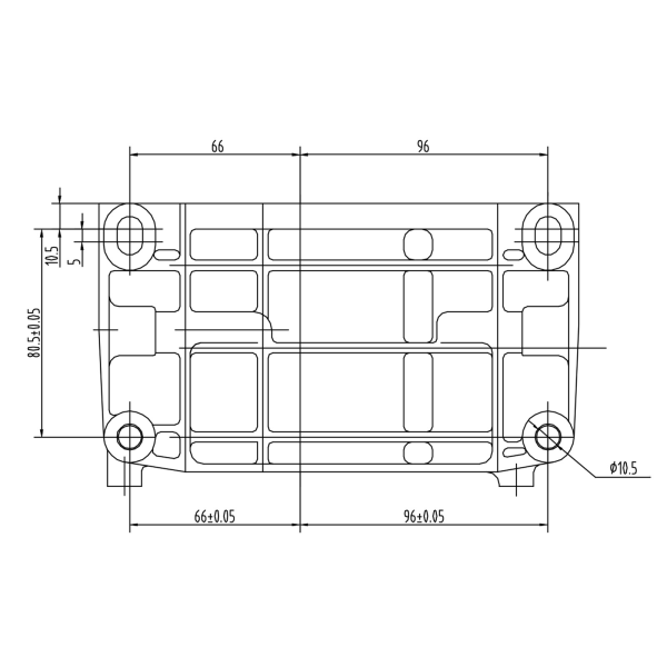
Размер упаковки, мм 415*380*380
Топливо АИ-92
Ход поршня, мм 58
Рабочий объем, см3 223
Тип двигателя 4-хтактный, одноцилиндровый, с воздушным охлаждением
Степень сжатия 9.5:1
Макc. крутящий момент, Н.м / об./мин.13.5/2500 (при снятии с редуктора 24/1800)
Емкость топливного бака, л 3.6
Диаметр цилиндра, мм 70
Диаметр вала, мм 20
Запуск ручной и электро- стартер
Катушка 0.6А
Мощность, л.с.: 8
Максимальная выходная мощность при 3600 об/мин, кВт5.8
Комплектация датчик давления масла
Объем масляного картера, л 0.6Производитель Lifan Пуск двигателя Электрический и ручной Емкость топл. бака, л 3,6 Модель двигателя KP230E-R Габариты, (Д/Ш/В), мм 415*380*380 Редуктор 2:1, сцепление Вал Горизонтальный, 20мм Тип двигателя 4-хтактный, одноцилиндровый, с воздушным охлаждением Установка фары 0.6 Тип топлива бензин Масса, кг 23 Артикул 02046-03522 Страна производитель Lifan lndustry (Group) Co., Ltd. Lifan Mansion, No.16, FengXi Road, Caijiagang Town, Beibei district, Chongqing, China
Остались вопросы?
Позвоните нам!
Мы отличаемся от других интернет-магазинов тем, что подходим к каждому покупателю индивидуально, подбираем нужный товар, даем знающие и правдивые советы и помогаем купить технику, которая оптимально подходит под Ваши требования и прослужит долгие годы!
Наш девиз - относись к покупателю, как к близкому человеку. Мы привыкли отвечать за свои слова и доводить дело до конца!
Звоните и убедитесь сами:
A1 (029)615-88-00
МТС (033)615-88-00





























