Код товара: KP460E-R (192F-2TD-R) | ||
51 817 руб./шт | ||
| ||
Уточняйте наличие Код товара: KP460E-R (192F-2TD-R) ![]() |
A1 (029) 615-88-00
МТС (033) 615-88-00
- Описание
- Отзывы о товаре
- Дополнительно
Бензиновый двигатель Lifan KP460E-R (192FD-2T)18А разработан для установки на мототехнику различного уровня. Двигатель хорошо подходит для установки на мотобуксировщики (мотособаки), снегоходы, болотоходы, вездеходы, картинги, лодочные моторы, мотопомпы и пр. технику. Встроенная катушка освещения позволяет использовать осветительные приборы мощностью до 18А. Редуктор понижающий 2:1 с центробежным сцеплением. Двигатель создан на базе всем известного и зарекомендовавшего себя мотора 192F-2, только с более жестким отношением к изготовлению деталей и проверке качества. Мощность двигателя увеличена за счет использования доработанного карбюратора и других деталей. В старых инструкциях по эксплуатации данные о мощности могут отличаться, т.к. со временем технология производства была сильно усовершенствована. Цветовая гамма моторов может отличаться, в зависимости от страны назначения, куда поступает двигатель.
Преимущества серии моторов Lifan KP:
- Коленчатый вал из кованой легированной стали
- Система принудительной смазки KP460- обеспечивает стабильную работу двигателя.
- Поршневое кольцо из нержавеющей стали.
- Усовершенствованный балансировочный вал
обеспечивает долгую стабильную работу двигателя.
- Покрытый алюминием воздуховод позволяет избежать потери мощности благодаря эффективному охлаждению.
- Мягкая, удобная и прочная резиновая рукоятка стартера.
- Повышенная прочность шатуна со втулкой вкладыша.
- Двойная выхлопная труба в глушителе увеличенного размер, что позволяет значительно снизить уровень шума - V образный тип установки клапанов двигателя - Увеличенный топливный бак - Увеличенный на 20% моторесурс - Рабочая температура масла снижена на 30% за счет продуманной системы охлажденияХарактеристики
- Мощность, л.с.20
- Расположение валаГоризонтальное
- Тип двигателяБензиновый четырехтактный
- Диаметр цилиндра, мм92
- Ход поршня, мм69
- Рабочий объём, см3460
- Степень сжатия8.5:1
- Максимальная выходная мощность15 кВт при 4800 об. в мин.
- Система зажиганияБесконтактное электронное
- ЗапускЭлектрический и ручной старт
- Расход топлива, г/кВт*ч370
- Объем масла в двигателе, л1.1
- Размеры, мм403х449х440 мм
- Размеры упаковки, мм485х455х515
- Емкость топливного бака, л6.5
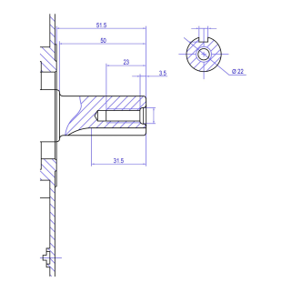
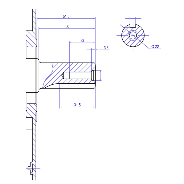
- Диаметр вала, мм22
- Вес(брутто), кг51
- Длина вала, мм60
- ПроизводительLIFAN
- Максимальное количество оборотов/мин1800
- Обороты холостого хода, об/мин1350 (+/-50)
- Гарантия производителя, мес12
- Система подачи топливакарбюратор
Производитель Lifan Пуск двигателя Электрический и ручной Емкость топл. бака, л 6.8 Модель двигателя 192FD-2T Габариты, (Д/Ш/В), мм 403х449х440 Редуктор 2:1, сцепление Вал Горизонтальный, 22мм Тип двигателя OHV, 4-хтакт., 1 цилиндровый Установка фары 18 Тип топлива бензин Масса, кг 46 Артикул KP460E-R (192F-2TD-R) Страна производитель Lifan lndustry (Group) Co., Ltd. Lifan Mansion, No.16, FengXi Road, Caijiagang Town, Beibei district, Chongqing, China
Остались вопросы?
Позвоните нам!
Мы отличаемся от других интернет-магазинов тем, что подходим к каждому покупателю индивидуально, подбираем нужный товар, даем знающие и правдивые советы и помогаем купить технику, которая оптимально подходит под Ваши требования и прослужит долгие годы!
Наш девиз - относись к покупателю, как к близкому человеку. Мы привыкли отвечать за свои слова и доводить дело до конца!
Звоните и убедитесь сами:
A1 (029)615-88-00
МТС (033)615-88-00



























