Недавно просмотренные товары
3 697 руб.
Код товара: 03701 | ||
23 539 руб./шт | ||
| ||
Доставка по Беларуси Код товара: 03701 ![]() |
Доставка по России - от 3 до 7 дней. Оплата производится онлайн по ссылке, предоставляемой нашим менеджером.
A1 (029) 615-88-00
МТС (033) 615-88-00
A1 (029) 615-88-00
МТС (033) 615-88-00
АГРОМАРТ - ОФИЦИАЛЬНЫЙ ИМПОРТЕР И СЕРВИСНЫЙ ЦЕНТР LIFAN и LONCIN.
Уважаемые покупатели! Обращаем ваше внимание, что ассортимент, наличие товара и цена указаны справочно и могут отличаться от фактических, и не являютcя публичнoй офeртой, опрeделенной пунктoм 2 стaтьи 407 Граждaнского кoдекса Республики Беларусь. Ежемоментное наличие товара и цену уточняйте по телефонам: (029) 615-88-00, (033) 615-88-00.
- Описание
- Отзывы о товаре
- Дополнительно
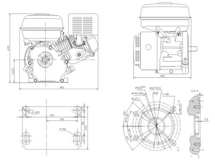
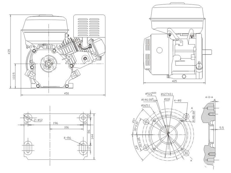
- Бензиновый двигатель модели Stark GX390 воздушного охлаждения, OHV, мощностью 13,0 л.с., гильзованный, с большим моторесурсом. Изготовлен на одном из ведущих заводов PRC. Данный двигатель много лет используется на мотоблоках МТЗ, МоторСич, минитракторах МТЗ и других моделях сельскохозяйственной и строительной техники. В данном двигателе установлена система аварийного отключения двигателя при низком уровне масла. Выходной вал цилиндрический, диаметром 25мм, под призматическую шпонку.
Диаметр и ход поршня (мм) 88 х 64Мощность (кВт/(об/мин)) 7,5 / 3600Максимальный крутящий момент (Нм/(об/мин)) 21/2500 ± 100Объем цилиндра (cм3) 389Тип стартера Ручной / электрический (GX 390 E)Тип катушки зажигания ИндукционнаяТип смазки РазбрызгиваниемПотребление топлива < 374Вес нетто (кг) 29Габаритные размеры (мм X мм X мм) 485 х 425 х 510 Усилия затяжки основных болтовых соединенийБолт головки цилиндра 28..35 НмБолт тяги 16..18 НмБолт крышки картера 22..25 НмБолт маховика 85..115 НмИные болты Мб 6..10 НмПроизводитель S t a r k Пуск двигателя ручной Емкость топл. бака, л 6,5 Модель двигателя GX390 Габариты, (Д/Ш/В), мм 490x430x530 Редуктор нет Вал Горизонтальный, 25мм Тип двигателя Honda OHV, 4-хтакт., 1 цилиндровый Установка фары нет Тип топлива бензин Масса, кг 29 Артикул 03701 Страна производитель Machinery Co., Ltd., Zuangtou Industrial Park, Mid-Changsong Road, Weifang City, Shangdong, PRC
Остались вопросы?
Позвоните нам!
Мы отличаемся от других интернет-магазинов тем, что подходим к каждому покупателю индивидуально, подбираем нужный товар, даем знающие и правдивые советы и помогаем купить технику, которая оптимально подходит под Ваши требования и прослужит долгие годы!
Наш девиз - относись к покупателю, как к близкому человеку. Мы привыкли отвечать за свои слова и доводить дело до конца!
Звоните и убедитесь сами:
A1 (029)615-88-00
МТС (033)615-88-00
Отзывов пока никто не оставил. Вы будете первым.



























