Недавно просмотренные товары
25 277 руб.
884 033 руб.
1 264 руб.
Код товара: 01746 | ||
28 910 руб./шт | ||
| ||
Доставка по Беларуси Код товара: 01746 ![]() |
Доставка по России - от 3 до 7 дней. Оплата производится онлайн по ссылке, предоставляемой нашим менеджером.
A1 (029) 615-88-00
МТС (033) 615-88-00
A1 (029) 615-88-00
МТС (033) 615-88-00
АГРОМАРТ - ОФИЦИАЛЬНЫЙ ИМПОРТЕР И СЕРВИСНЫЙ ЦЕНТР LIFAN и LONCIN.
Уважаемые покупатели! Обращаем ваше внимание, что ассортимент, наличие товара и цена указаны справочно и могут отличаться от фактических, и не являютcя публичнoй офeртой, опрeделенной пунктoм 2 стaтьи 407 Граждaнского кoдекса Республики Беларусь. Ежемоментное наличие товара и цену уточняйте по телефонам: (029) 615-88-00, (033) 615-88-00.
- Описание
- Отзывы о товаре
- Дополнительно
Бензиновый двигатель модели Stark GX450E воздушного охлаждения c электростартером, OHV, мощностью 17,0 л.с., гильзованный, увеличенный моторесур. Рекомендуем приобретение этого двигателя для установки на минитракторы и мотоблоки, генераторы, резчики швов и другую технику. В данном двигателе установлена система аварийного отключения двигателя при низком уровне масла.
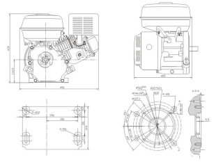
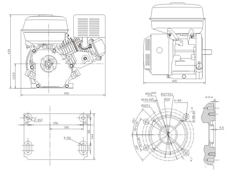
- Рабочий объем, (см.куб): 450
- Коэффициент сжатия: 8.3:1
- Максимальная мощность, (л.с./кВт):16.0/11.76/ 3600об/мин
- Максимальный крутящий момент, (Нм):25/2500 об/мин
- Моторное масло емкость, (л): 1.1
- Тип двигателя OHV, Одноцилиндровый 4-тактный, принудительное воздушное охлаждение
Производитель S t a r k Пуск двигателя Электрический и ручной Емкость топл. бака, л 6,5 Модель двигателя GX450Е Габариты, (Д/Ш/В), мм 490x430x530 Редуктор нет Вал Горизонтальный, 25мм Тип двигателя OHV, 4-хтакт., 1 цилиндровый Установка фары 0.6 Тип топлива бензин Масса, кг 35 Артикул 01746 Страна производитель Machinery Co., Ltd., Zuangtou Industrial Park, Mid-Changsong Road, Weifang City, Shangdong, PRC
Остались вопросы?
Позвоните нам!
Мы отличаемся от других интернет-магазинов тем, что подходим к каждому покупателю индивидуально, подбираем нужный товар, даем знающие и правдивые советы и помогаем купить технику, которая оптимально подходит под Ваши требования и прослужит долгие годы!
Наш девиз - относись к покупателю, как к близкому человеку. Мы привыкли отвечать за свои слова и доводить дело до конца!
Звоните и убедитесь сами:
A1 (029)615-88-00
МТС (033)615-88-00
Отзывов пока никто не оставил. Вы будете первым.























